匠人匠心 至诚至精

为客户提供满意的仪器仪表产品

全国咨询电话:

+86 150-7907-3353

关于明升88

当前位置:首页 > 关于诚睿

CRX系列楔形流量计

楔形流量计主要是一种差压式流量仪表,利用其安装的节流件,迫使管道中的流体的流动发生变化,在节流件的前后产生压力差,从而达成测量流量的目的。楔形流量计节流件采用的是一个有夹角的检测件;两侧是光滑的圆面,V 形楔形件的顶角朝下,这样有利于含悬浮颗粒的液体或粘稠液体含有水分或杂质的气体顺利通过,而不会在节流件上游侧产生滞流,粘附,沉淀,适用高粘度、高浓度、结晶混合液、脏污的液体及高含尘气体的流量测量。

立即咨询:15079073353
产品介绍
一、主要特性:
楔形流量计主要是一种差压式流量仪表,利用其安装的节流件,迫使管道中的流体的流动发生变化,在节流件的前后产生压力差,从而达成测量流量的目的。楔形流量计节流件采用的是一个有夹角的检测件;两侧是光滑的圆面,V 形楔形件的顶角朝下,这样有利于含悬浮颗粒的液体或粘稠液体含有水分或杂质的气体顺利通过,而不会在节流件上游侧产生滞流,粘附,沉淀,适用高粘度、高浓度、结晶混合液、脏污的液体及高含尘气体的流量测量。基于楔形流量计节流件的结构,流体在管道内不是急剧收缩,流体压力的变化是比较平缓的,差压信号加稳定,能保证流量,小流量的测量。楔形流量计无沉积、不堵塞,适用范围较广,除应用于一般气体、液体、蒸汽外,适用于高粘度、结晶混合液、脏污的液体及高含尘气体的流量测量。
二、流量计的组成

CRX系列楔形流量计主要由楔形传感器、智能流量积算仪、差压变送器及一些配套的管道阀门组件组成。


三、测量工作原理

楔形流量计同其它差压流量仪表一样,其理论基于封闭管道中能量相互转化的伯努利定理和流体流动连续性定律:差压与流量是一个开方关系,通过测量差压,就可以测量出管道流体流量的大小。


四、主要优势

1、产生加稳定的差压信号对小流量的测量楔形流量计让流体逐渐收缩,其流动平缓地发生改变,这样减弱了流场中压力的幅值,产生的差压信号加稳定,能分辨的差压信号小,有利于小流量的测量。

2、抗脏污、自清洁能力、无滞流区楔形流量计其节流件采用的是一个有夹角的检测件;两侧是光滑的圆面,V 形楔形件的顶角朝下,这样有利于含悬浮颗粒的液体或粘稠液体及含有水分或杂质的气体顺利通过,同时,流体接近 V 形楔形件,流体流速加快,流体直接冲刷 V 形楔形件和管道内壁而不会在节流件上游侧产生滞流、粘附、沉淀。

3、能够测量双向流量楔形流量计的检测件采用对称的 V 形结构,利用两台变送器,可以实现用一台流量计测量正向和反向的流量。

4、稳定性好、长期运行精度高由于楔形流量计采用 V 形楔形件的设计,V 形楔形件会疏导流体离开节流件尾部边缘,减少它被磨损的可能性,节流件尺寸长期不变,又无可动部件与易损部件,可以达成仪表长期测量的精度稳定性。

5、压力损失为孔板差压的 10%-20%楔形流量计的 V 形楔形件,使流体逐渐收缩,不会使流体的流动象孔板一样发生骤然变化,因而由摩擦和产生的旋涡带来的压力损失相对孔板小。

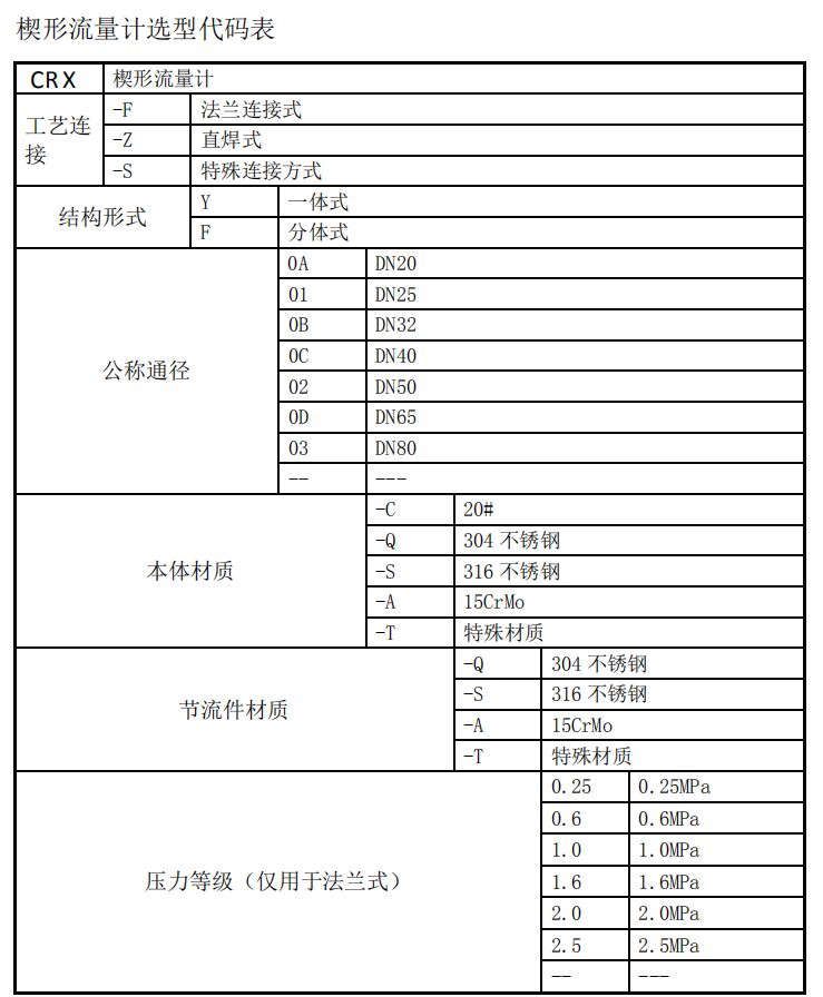
五、选型表
例:CR X -F Y 04-C -Q 1.6  楔形流量计,一体式法兰连接,公称通径为DN100,本体材质为20#,节流件材质为304,压力等级 1.6MPa。以上就是CRX系列楔形流量计产品详细介绍。
产品标签:
差压式流量仪
楔形流量计