匠人匠心 至诚至精

为客户提供满意的仪器仪表产品

全国咨询电话:

+86 150-7907-3353

关于明升88

当前位置:首页 > 关于诚睿

CRP系列皮托管流量计

皮托管流量计适用于测量蒸汽﹑液体﹑空气﹑煤气等介质管速,适合大口径风管风速测量,它通过测量管道风速、炉窑烟道内的气流速度,经过换算来确定流量。较广应用于科研、生产、教学、环境保护以及净化室、矿井通风、能源管理部门,具有结构简单﹑成本低廉等特点,是工业锅炉燃气排放在线监测系统理想的流量检测配套仪表。

立即咨询:15079073353
产品介绍

一,主要特性

皮托管流量计适用于测量蒸汽﹑液体﹑空气﹑煤气等介质管速,适合大口径风管风速测量,它通过测量管道风速、炉窑烟道内的气流速度,经过换算来确定流量。较广应用于科研、生产、教学、环境保护以及净化室、矿井通风、能源管理部门,具有结构简单﹑成本低廉等特点,是工业锅炉燃气排放在线监测系统理想的流量检测配套仪表。

二、流量计组成

CRP系列皮托管一般由一次阻流元件(传感器)、变送器和阀组组成,某些情况下还附有球阀、丝杆。

皮托管流量计

三、测量原理

皮托管流量计由一根有双层结构的弯成直角的金属小管组成,在顶端开有一个迎流的全压孔,在侧壁周围开有静压孔,将传感器插入管道中心,总压孔对准流体的上游,总压与静压之差即为管中心的实测差压,差压变送器两端分别与总压管和静压管连接,根据数理模型实测数据拟合曲线,给出对应的流量值,将对应的流量信号通过差压变送器转换成标准的 4~20mA 信号。

Q:体积流量

K:无量纲常数,因流量计不同而不同

Y:气体压缩系数,对非压缩流体时Y=1

ΔP=P1-P2,一次阻流件上下游之间的压力差

ρ:流体密度.

四,主要优势

1、可测多种介质适用于测量蒸汽、液体、空气、煤气等介质管速,适合大口径风管风速测量,具有、结构简单﹑成本低廉等特点,是工业锅炉燃气排放在线监测系统理想的流量检测配套仪表。2、 可选在线安装插拔、清洗、反吹装置对于部分无法停产安装的测点可以不停产选用在线插拔装置进行在线安装;对含杂质过多或脏污介质,为避免取压孔堵塞,也可以选用在线插拔装置进行定期清理或在线反吹装置进行反吹,以使测量长期准确可靠。

3、中心取压,本质防堵传感器位于管线中心取压,本质防堵,选配带清灰棒配置的实现在线自动清灰,防堵效果较佳。

4、安装费用低,基本免维护插入式安装方式,安装简单,加上传感器顶端图特的耐磨涂层,传感器形状可长期保持不变,因而长期稳定性好。

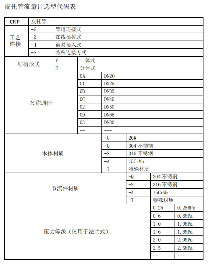
五、选型表

例:CR P -Z Y 04 -C -Q 1.6    皮托管流量计,一体式在线插拔型,公称通径为DN100,本体材质为20#,节流件材质为304,压力等级 1.6MPa。想要了解更多产品详细内容请咨询客服。
产品标签:
皮托管流量计
热式流量计