
CR3000 LT 系列智能差压液位变送器可直接通过液位法兰固定在任何位置。液位法兰与相应的配套法兰连接,该配套法兰应配有垫片和固定夹紧用螺栓(配套法兰、垫片和螺栓不在标准供货范围之内,用户自配)。尽量使液位法兰平面处于垂直位置,以减小可消除的零点偏移。电子外壳可旋转360°,定位螺钉可将外壳固定于任一位置。
|
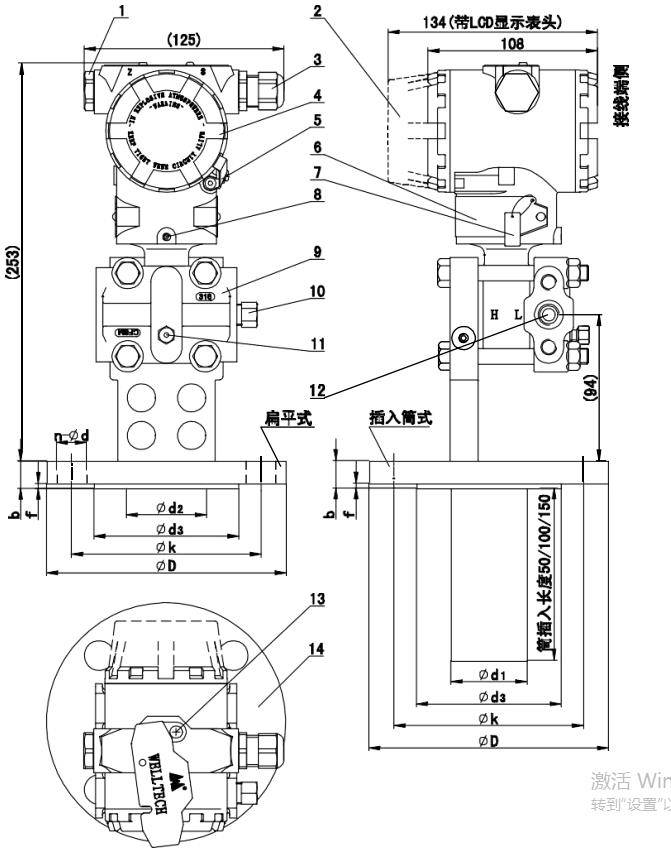
1.电气密封闷头 2.电子部件侧表盖 2. 电气接口:M20×1.5 电缆密封头 4.接线端表盖 5.表盖安全固定扣(防爆) 6.铭牌 7.悬挂式位号牌(选件) 8.电子外壳旋转定位螺钉 9.低压侧过程法兰 10.低压侧过程连接闷头或泄放阀(选件) 11.低压侧侧面泄放螺钉(选件) 12.低压侧过程连接:NPT1/4 内螺纹, 法兰接口符合DIN19213 13.就地按钮 14.液位法兰 |
![]() CR3000 LT 型智能液位变送器外形尺寸(单位 mm) |
| 公称直径 | 耐压等级 | D | k |
d1 (插入筒) |
d2 (平法兰) |
d3 | f | b | n | d |
|
DN 2″ (ANSI B16.5 RF) |
Class 150 Class 300 Class 600 |
152.4 165.1 165.1 |
120.6 127 127 |
48.3 48.3 48.3 |
57 57 57 |
92.1 92.1 92.1 |
3+0.5 3+0.5 6.35 |
19 22.2 31.7 |
4 8 8 |
19 19 19 |
|
DN 3″ (ANSI B16.5 RF) |
Class 150 Class 300 Class 600 |
190.5 209.5 209.5 |
152.4 168.3 168.3 |
76 76 76 |
75 75 75 |
127 127 127 |
3+0.5 3+0.5 6.35 |
23.8 28.6 38 |
4 8 8 |
19 22 22 |
| DN 4″ | Class 150 | 229 | 191 | 89 | 89 | 157 | 3+0.5 | 23.8 | 8 | 19 |
| (ANSI B16.5 RF) | Class 300 | 255 | 200 | 89 | 89 | 157 | 3+0.5 | 31.7 | 8 | 22 |
| DN 50 | PN 1.6MPa/4MPa | 165 | 125 | 48.3 | 57 | 102 | 3+0.5 | 20 | 4 | 18 |
| (法兰DIN 2501) | PN 6.4MPa | 180 | 135 | 48.3 | 57 | 102 | 3+0.5 | 26 | 4 | 22 |
| (密封面DIN 2526 E) | PN 10MPa | 195 | 145 | 48.3 | 57 | 102 | 3+0.5 | 28 | 4 | 26 |
| DN 80 | PN 1.6MPa/4MPa | 200 | 160 | 76 | 75 | 138 | 3+0.5 | 24 | 8 | 18 |
| (法兰DIN 2501) | PN 6.4MPa | 215 | 170 | 76 | 75 | 138 | 3+0.5 | 28 | 8 | 22 |
| (密封面DIN 2526 E) | PN 10MPa | 230 | 180 | 76 | 75 | 138 | 3+0.5 | 32 | 8 | 26 |
|
DN100 (法兰DIN 2501) (密封面DIN 2526 E) |
PN 1.6MPa PN 4MPa |
220 235 |
180 190 |
89 89 |
89 89 |
158 162 |
3+0.5 3+0.5 |
20 24 |
8 8 |
18 22 |
| CR3000LT | CR3000 LT 型智能液位变送器 | ||
| 代码 1 | 测量范围(无迁移时)(kPa) | ||
| 3 | 0-4~7.5 | ||
| 4 | 0~37.4 | ||
| 5 | 0~186.8 | ||
| 6 | 0~690 | ||
| 7 | 0~2068 | ||
| 代码 2 | 输出 | ||
| S | 4mA-20mADC/HART,线性输出 | ||
| 代码 3 | 传感器隔离膜片 | 传感器灌充液 | |
| 2 | 316L 不锈钢 | 硅油 | |
| 3 | 哈氏合金C | ||
| A | 316L 不锈钢 | 氟油 | |
| 代码 4 | 泄放孔位置(供有闷头) | 过程法兰/螺栓 | |
| B | 过程法兰后部端面或无 |
不锈钢/碳钢 |
|
| U | 过程法兰侧面上部 | ||
| L | 过程法兰侧面下部 | ||
| 代码5 | 过程法兰O形圈材质(低压侧) | ||
| 7 | 丁腈橡胶(NBR) | ||
| 6 | 氟橡胶(FKM)(温度≥-20℃) | ||
| 5 | 低温氟橡胶(FKM-GFLT) | ||
| 代码6 | 电气接口 | 电子外壳 | |
| 1 | M20×1.5(配电缆密封头) | 表面喷塑铝合金 | |
| 2 | NPT1/2 内螺纹 | 表面喷塑铝合金 | |
| 代码7 | 铭牌 | ||
| C | 中文铭牌 | ||
| E | 英文铭牌 | ||
| 代码 8 | 液位法兰公称直径与耐压等级 | ||
| C | DN 2″ Class 150 | ||
| D | DN 2″ Class 300 | ||
| J | DN 2″ Class 600 | ||
| E | DN 3″ Class 150 | ||
| F | DN 3″ Class 300 | ||
| K | DN 3″ Class 600 | ||
| G | DN 4″ Class 150 | ||
| H | DN 4″ Class 300 | ||
| Q | DN 50 PN 1.6MPa/4MPa | ||
| R | DN 50 PN 6.4MPa | ||
| M | DN 50 PN 10MPa | ||
| S | DN 80 PN 1.6MPa/4MPa | ||
| T | DN 80 PN 6.4MPa | ||
| N | DN 80 PN 10MPa | ||
| U | DN 100 PN 1.6MPa | ||
| W | DN 100 PN 4MPa | ||
| 代码 9 | 液位法兰隔离膜片 | ||
| A | 316L 不锈钢 | ||
| B | 哈氏合金C | ||
| C | 钽(仅适合平法兰式) | ||
| E | PFA 涂层(仅适合平法兰式) | ||
| F | F46 覆膜(仅适合平法兰式) | ||
| G | 镀金(仅适合平法兰式) | ||
| 代码 10 | 插入筒长度(mm) | ||
| 0 | 0(平法兰式) | ||
| 1 | 50 | ||
| 2 | 100 | ||
| 3 | 150 | ||
| 代码 11 | 高压侧灌充液 | ||
| A | 硅油 | ||
| C | 氟油 | ||
| 选项代码 | 选项/选件 | ||
| d | 隔爆型Ex d ⅡC T4~T6 | ||
| i | 本安型Ex ia ⅡC T4~T6 | ||
| M3 | LCD 显示表头 | ||
| M4 | 带背光LCD 显示表头 | ||
| D1 | 不锈钢泄放阀或泄放螺钉(1 只) | ||
| C1 | NPT1/2 内螺纹腰形法兰组件(1 套) | ||
| C12 | NPT1/2-M20×1.5-Φ14 引压短管(1 套) | ||
| C2 | M20×1.5 外螺纹丁字接头(1 套) | ||
| C21 | M20×1.5 丁字接头-Φ14 引压短管(1 套) | ||
| K1 |
脱脂处理 (氧气测量限氟油灌充液、防爆、Pmax=6MPa) |
||
| L1 | 悬挂式位号牌 | ||
| 5C6 | 防雷保护(耐瞬变电压)(不适合本安) | ||
| V | 防真空设计 | ||